Register
Log in
Shopping cart
(0)
You have no items in your shopping cart.
US Dollar
US Dollar
EN
EN
Search
Personal menu
Menu
Search
Filters
Close
Parts
Careers
Warranty
Back
Warranty Registration
Warranty Claim
Support
Back
Contact Us
Ardisam Locations
Find a Manual
RMA Request
Find a Service Center
FAQs
Canadian Distributors
Menu
Parts
Careers
Warranty
Back
Warranty Registration
Warranty Claim
Support
Back
Contact Us
Ardisam Locations
Find a Manual
RMA Request
Find a Service Center
FAQs
Canadian Distributors
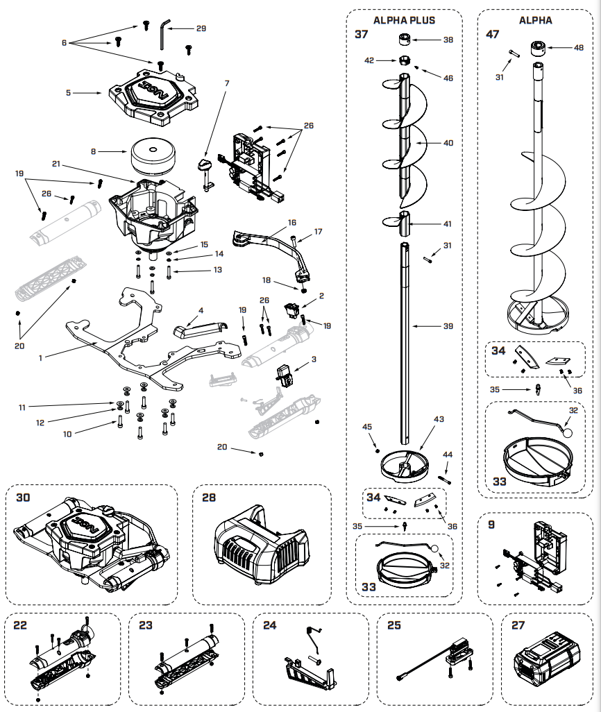
ION/ALPHA/8 IN STEEL TURBO/ 59150
SERIES #041457, MODEL YEAR 2022
Parts Catalog
View Documents
Document Preview
×
OPERATOR'S MANUAL
3/28/2022
59150 ION ALPHA 8", SERIES #041457 MODEL YEAR 2022
Download (pdf)
Document Preview
×
PARTS EXPLOSION
4/4/2022
59150 ION ALPHA 8", SERIES #041457 MODEL YEAR 2022
Download (pdf)
Click on Titles Below to View Assembly & Parts List
COMPLETE ASSEMBLY
Enter the quantity for each part you wish to purchase and press the "ADD TO CART" button.
Key No.
Part No.
Image
Description
Cost
Availability
Order Qty.