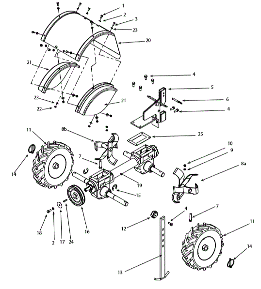
6015V TILLER REAR TINE CRT WITH SIDE SHIELDS

MODEL YEAR 2010

Parts Catalog

View Documents

11/4/2010
MODEL YEAR 2010
12/6/2010
MODEL YEAR 2010

Enter the quantity for each part you wish to purchase and press the "ADD TO CART" button.

Key No. Part No. Image Description Cost Availability Order Qty.