Register
Log in
Shopping cart
(0)
You have no items in your shopping cart.
US Dollar
US Dollar
EN
EN
Search
Personal menu
Menu
Search
Filters
Close
Parts
Careers
Warranty
Back
Warranty Registration
Warranty Claim
Support
Back
Contact Us
Ardisam Locations
Find a Manual
RMA Request
Find a Service Center
FAQs
Canadian Distributors
Menu
Parts
Careers
Warranty
Back
Warranty Registration
Warranty Claim
Support
Back
Contact Us
Ardisam Locations
Find a Manual
RMA Request
Find a Service Center
FAQs
Canadian Distributors
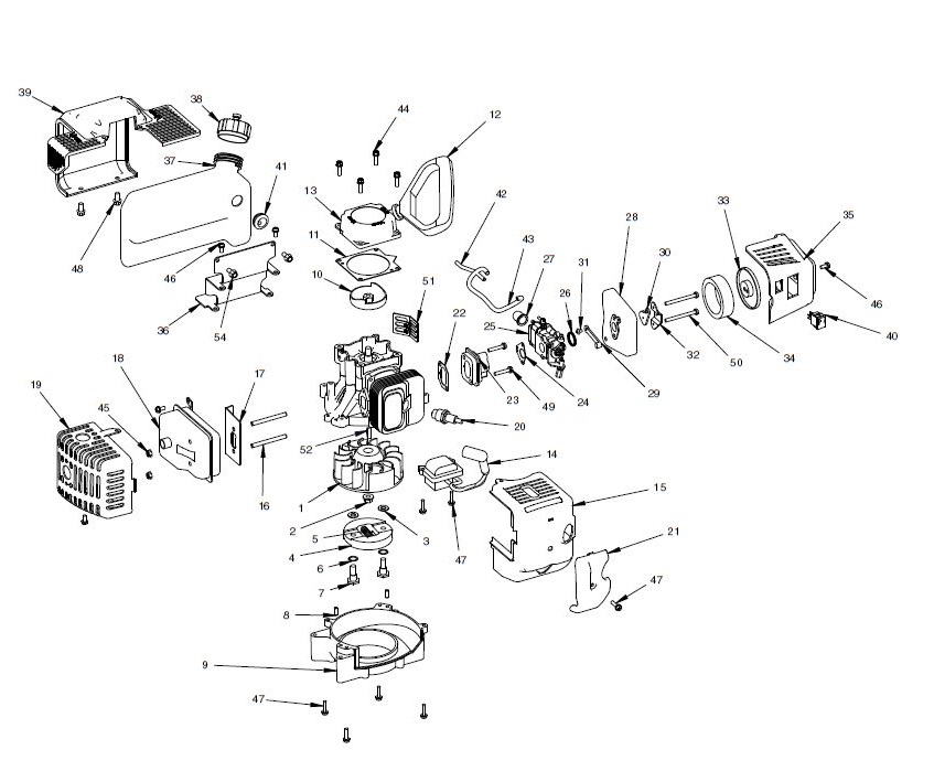
Z51Q9 SHARK 51CC & 9 INCH QUANTUM
MODEL YEAR 2006
Parts Catalog
View Documents
Document Preview
×
ASSEMBLY INSTRUCTIONS & PARTS EXPLOSIONS
12/4/2006
Z51Q9 SHARK 9" 51CC; MODEL YEAR 2006
Download (pdf)
Click on Titles Below to View Assembly & Parts List
Engine Assembly
Powerhead & Auger Assembly
Enter the quantity for each part you wish to purchase and press the "ADD TO CART" button.
Key No.
Part No.
Image
Description
Cost
Availability
Order Qty.