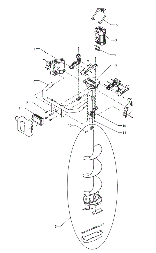
ION / GEN1 / 8 Inch / 11733

Series # 015944; Model Year 2011

Parts Catalog

View Documents

3/6/2012
11733 ION 8", Series # 015944, Model Year 2013

Click on Titles Below to View Assembly & Parts List

  • Complete Assembly 

  • Replacement Kits 

  • Enter the quantity for each part you wish to purchase and press the "ADD TO CART" button.

    Key No. Part No. Image Description Cost Availability Order Qty.