26750 VECTOR COMPACT TILLER

SERIES # 013273, MODEL YEAR 2012

Parts Catalog

View Documents

11/1/2014
11/15/2014

Enter the quantity for each part you wish to purchase and press the "ADD TO CART" button.

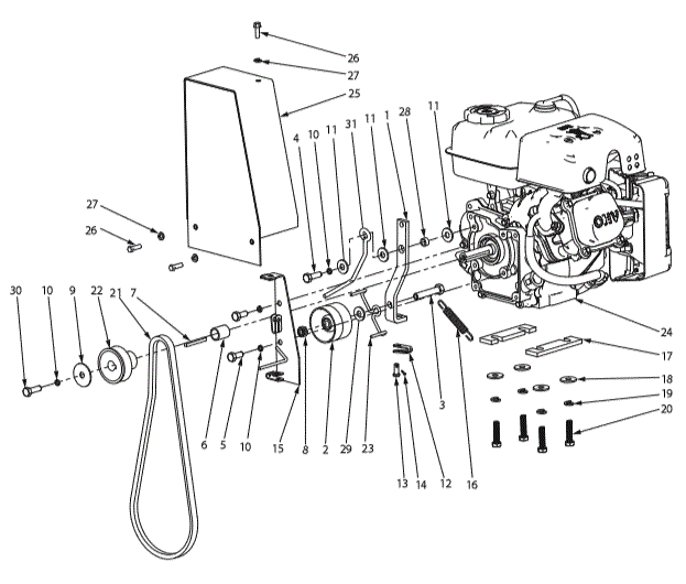
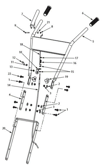
Key No. Part No. Image Description Cost Availability Order Qty.